データセンター向けソリューション
データセンター向けアプリケーションに推奨するオムロンの電子部品 (リレー、スイッチ、 コネクタ、 センサ) を紹介いたします。

目次
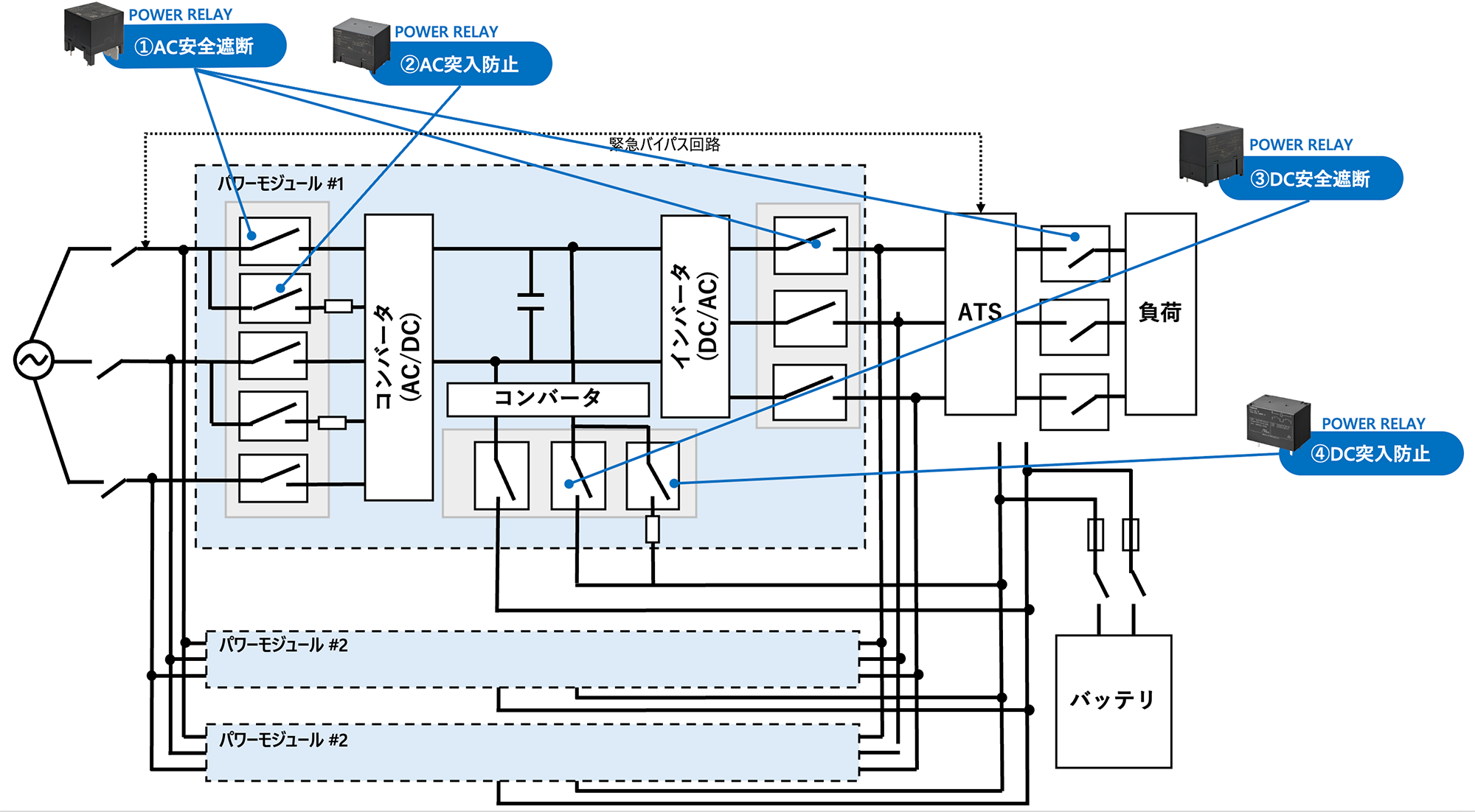
UPS


注. 使用前に各形式をクリックいただき、詳細を必ずご確認ください。
また共通の注意事項については、「プリント基板用リレー 共通の注意事項」をご覧ください。
データセンター向けアプリケーションに推奨するオムロンの電子部品 (リレー、スイッチ、 コネクタ、 センサ) を紹介いたします。



注. 使用前に各形式をクリックいただき、詳細を必ずご確認ください。
また共通の注意事項については、「プリント基板用リレー 共通の注意事項」をご覧ください。